Description
Features
Compact Size
High crosstalk
Low Insertion Loss
Applications
Optical Cross and Connection System
Network Monitor
Optical Fiber Ring Protection
Compact Size
High crosstalk
Low Insertion Loss
Optical Cross and Connection System
Network Monitor
Optical Fiber Ring Protection
| Parameters | Unit | 1x1, 1x2 | ||
| Operation Wavelength | nm | 1310, 1550 | 850, 1310 | 980, 1053, 1064 |
| Operation Bandwidth | nm | ±30 | ±30 | ±30 |
| Insertion Loss | dB | ≤0.5 (Typ 0.4) | ≤0.8 (Typ 0.6) | ≤1.0 (Typ 0.7) |
| Return Loss | dB | ≥50 | ≥30 | ≥50 |
| Cross Talk | dB | ≥55 | ≥30 | ≥55 |
| Fiber Type | SMF-28e | MMF50/125,62.5/125 | HI 1060 | |
| PDL | dB | ≤0.10 | ||
| Repeatability | dB | ≤±0.05 | ||
| Switch Time | ms | ≤10 | ||
| Lifetime | Cycle | ≥10^9 | ||
| Switch Mode[1] | Latching or Non-Latching | |||
| Operation Direction[2] | Didirectional | |||
| Optical Power Handling (CW) | mW | ≤500 | ||
| Operating Temperature | ℃ | -15 ~ +70 | ||
| Storage Temperature | ℃ | -40 ~ +85 | ||
| Drive Voltage | V | 5±0.5 DC or 5V Pulse | ||
| Work Current | mA | ≤50 | ||
| Power Consumption | mW | ≤140 | ||
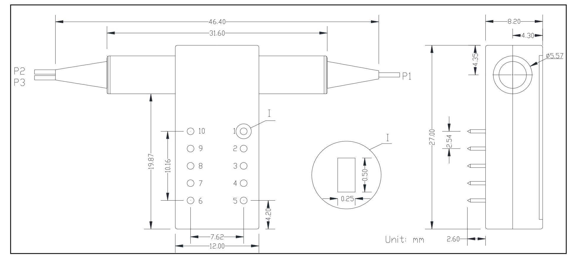
| Dimensions (LxWxH) | mm | 27×12×8.2 | ||
[1] Latching: switch will keep its routing while electric power off;
Non-Latching: switch will be reset to P1 to P2 while electric power off.
[2] The switch is bidirectional, the P1 port can be used as input or output.
| Control Model | Optical Path | Electric Drive | Status Sensor | ||||||
| 1×2 | Light Pin | 1 | 5 | 6 | 10 | 2-3 | 3-4 | 7-8 | 18-9 |
| Latching | P1-P3 | V+ | GND | -- | -- | Open | Close | Close | Open |
| P1-P2 | -- | -- | GND | V+ | Close | Open | Open | Close | |
| Non-latching | P1-P2 | -- | -- | -- | -- | Close | Open | Open | Close |
| P1-P3 | V+ | -- | -- | GND | Open | Close | Close | Open | |

-for 1x1 switch, no port P3 for bright type, no port P2 for dark type.
-Bright type, optical path is connected while electric power off.
-Dark type, optical path is disconnected while electric power off.

| Port Type | 1x1; 1x2; |
| Wavelength | 1310=1310nm; 1550=1550nm; 850=850nm; 980=980nm; 1053=1053nm; 1064=1064nm; |
| Mode | L=Latching; N=Non-Latching; |
| Pigtail Type | 250=250um Fiber; 900=900um Loose Tube; |
| Fiber Type | 1=SMF-28; 2=MMF 50/125; 3=MMF 62.5/125; 4=HI 1060; |
| Fiber Length | 1= 1m; |
| Connector | NE=None; FA=FC/APC; FC=FC/UPC; SA=SC/APC; SC=SC/UPC; LC=LC/UPC; XX=Others; |
| Type for (1x1) | B=Bright type; D=Dark type; |