Description
Features
Compact Size
Fast Response Time
TTL or CMOS Logic
Applications
Protection Switching
Reconfiguration
Logic Optical Subsystems
Array Integration

Compact Size
Fast Response Time
TTL or CMOS Logic
Protection Switching
Reconfiguration
Logic Optical Subsystems
Array Integration
| Parameters | Unit | Single Mode |
| Operation Wavelength | nm | 1310, 1550 |
| Insertion Loss | dB | ≤1.0 (Typ 0.4) |
| Polarization Extinction Ratio | dB | ≥ 20 |
| Return Loss | dB | ≥ 50 (Typ 55) |
| Cross Talk | dB | ≥ 60 (Typ 75) |
| Switch Speed | ms | ≤1 (Typ 0.5) |
| Repeatability | dB | ≤0.002 |
| Durability | cycles | No wear out |
| Fiber Type | PM1550 | |
| Operating Temperature | ℃ | 0 ~ +70 |
| Storage Temperature | ℃ | -40 ~ +85 |
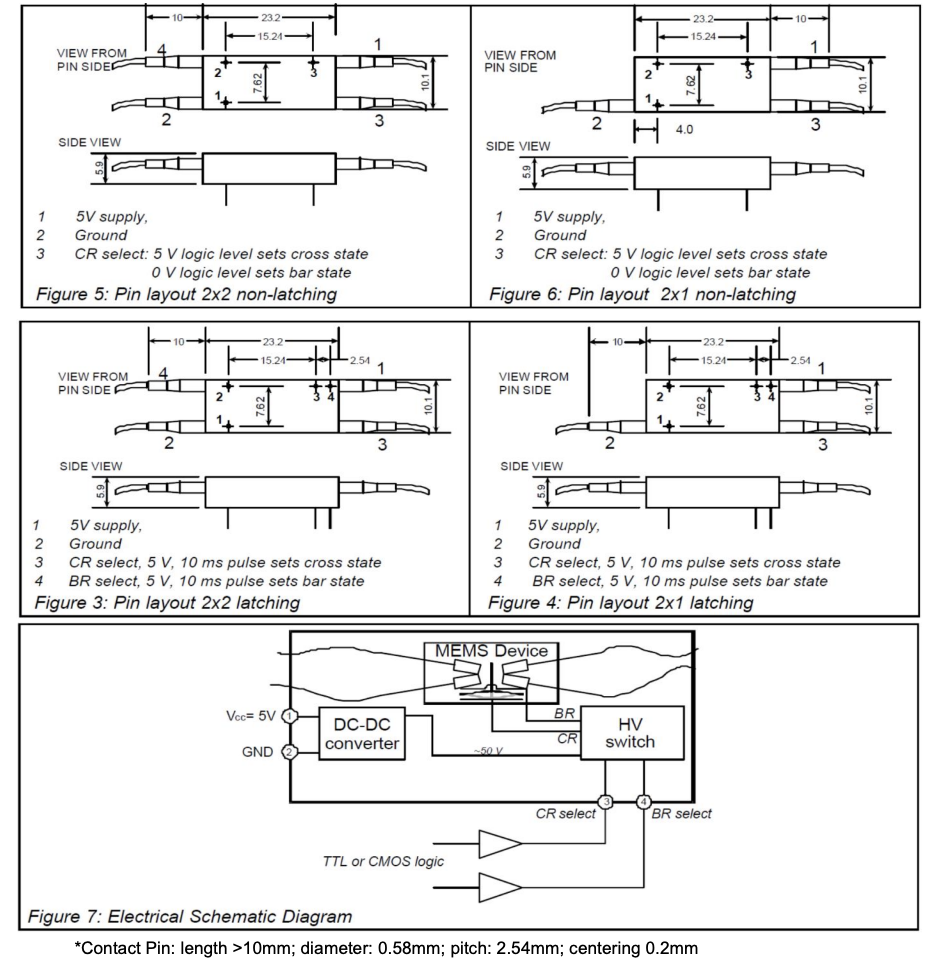
| Dimensions (LxWxH) | mm | 23.2 x 10.1 x 5.9 |
| Supply Voltage Vcc (PIN 1) | V | 3.20 ~ 5.25 (Typ. 3.3 or 5.0) |
| Current Consumption Lcc (PIN 1) | mA | ≤10 (Typ. 1) |
| Logic Level Low(PINS 3,4) | V | ≤0.3 |
| Logic Level High(PINS 3,4) | V | ≥3.0 |
| Selection Pulse Width | ms | ≥2 Typ 10 |



| Port Type | 2x1; 1x1; 2x2; |
| Wavelength | 1310; 1550; 1310/1550; |
| Mode | L=Latching; N=Non-Latching; |
| Pigtail Type | 250=250μm Fiber; 900=900μm Loose Tube; |
| Fiber Type | 5=PM1550; |
| Fiber Length | 1= 1m; |
| Connector | NE=None; FA=FC/APC; FC=FC/UPC; SA=SC/APC; SC=SC/UPC; LC=LC/UPC; XX=Others; |