Description
Polarization Insensitive Circulator-780, 830, 850nm

Polarization Insensitive Circulator-780, 830, 850nm
| Parameter | Unit | 3 Port |
| Operating Wavelength (λop) | nm | 780, 830, 850 |
| Operating Wavelength Range | nm | ±10 |
| Typ. Insertion Loss (23℃) | dB | 1.3 |
| Insertion Loss (23℃) | dB | ≤1.8 |
| Isolation (23℃ all SOP) | dB | ≥20 |
| Crosstalk (P1 to P3) | dB | ≥45 |
| Return Loss | dB | ≥50 |
| WDL | dB | ≤0.2 |
| Power Handling | mW | 300 |
| Fiber Type | HI 780 | |
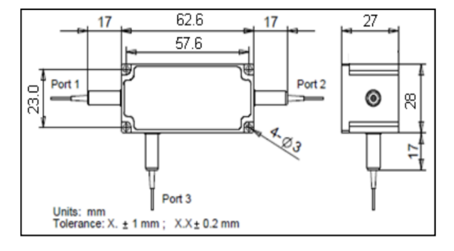
| Dimension | mm | 96.6x28x27 |
| Operating Temperature (Top) | ℃ | 10 ~ 50 |
| Storage Temperature | ℃ | -10 ~ +60 |

| Port | 3=3 Port; |
| Grade | P=P Grade; |
| Wavelength | 780; 830; 850; |
| Pigtail Type | 250=250um Fiber; 900=900um Loose Tube; 3mm=3mm Loose Tube; |
| Fiber Length | 1=1m; | Fiber Type | HI 780; |
| Connector | NE=None; FA=FC/APC; FC=FC/UPC; SA=SC/APC; SC=SC/UPC; XX=Other; |
| Package | 96.6x28x27; |